PT64H | Bluebell - Authorized Valve Dealer & Supplier

PT 64H

PT 64H

Float & Thermostatic Steam Traps

DESCRIPTION:

PT64H float and thermostatic (internal air vent) steam traps are designed for draining condensate from building heating installations. They can also be used in low pressure industrial installations.

FEATURES:

Modulating discharge of hot condensate at close to saturation temperature. Good air venting facilitates a fast start-up. Suitable for high condensate load.

TMA: Max.

220 oC

PMA: Max.

16 bar(g)

MOC

CAST IRON

End connection: Screwed NPT / BSPT / BSP

Available Sizes

Material

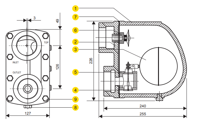
No. PART MATERIAL QTY.
1. BODY CAST IRON 01
2. COVER CAST IRON 01
3. BALL FLOAT & LEVER ASSY. AISI 304 01
4. VALVE AISI 410/420 02
5. VALVE SEAT AISI 410/420 02
6. AIR VENT STAINLESS STEEL 01
7. GASKET GRAPHITE WITH SS REINFORCEMENT 01
8. DRAIN PLUG CARBON STEEL 01
9. BOLT HIGH TENSILE 08

Product GAD

Pennant PT64H Design

Weights

(approx.)

Size SCR / SW
DN50 13.2 kg

Ordering Information

1) Inlet Pressure in bar(g)

2) Back Pressure in bar(g)

3) Operating Temperature in oC

4) Condensate Load in kg/hr

5) Size & Model

6) End Connections

Please Fill in the Details for Prompt Response