PT61 | Bluebell - Authorized Valve Dealer & Supplier

PT 61

PT 61

Float & Thermostatic Steam Traps

DESCRIPTION:

PT61 float and thermostatic (internal air vent) steam traps are designed for draining condensate from all types of low and medium pressure steam heating and process equipment.

FEATURES:

Modulating discharge. Discharges condensate at steam temperature. Excellent air venting (by thermostatic air vent).

TMA: Max.

220 oC

PMA: Max.

16 bar(g)

MOC

CAST IRON

End connection: Screwed NPT / BSPT /BSP

Available Sizes

Material

NO. PART MATERIAL QTY. (Nos.)
1. BODY CAST IRON 1
2. COVER IS: 200 FG200 1
3. GASKET (COVER) GRAPHITE WITH SS REINFORCEMENT 1
4. VALVE SEAT AISI 410/ AISI 420 1
5. VALVE AISI 410/ AISI 420 1
6. LEVER AISI 304 1
7. FLOAT AISI 304 1
8. AIR VENT ASSLY. AISI 304 1
9. BOLT HIGH TENSILE 4
10. DRAIN PLUG C.S 1
11. GASKET DRAIN PLUG COPPER 1
12. GASKET AIR VENT COPPER 1
13. GASKET VALVE SEAT COPPER 1
14. BRACKET ASSLY. AISI 304 1

Product GAD

Pennant PT61 Design
Pennant PT61 Design
Pennant PT61 Design

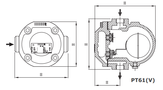
Dimensions

Nominal in mm Screwed/Socket Weld Traps

SIZE A B C D Wt.
DN15, 20 130 146 59 110 3.3 kg
DN25 145 162 66 110 4.3 kg

Ordering Information

1) Inlet Pressure in bar(g)

2) Back Pressure in bar(g)

3) Operating Temperature in oC

4) Condensate Load in kg/hr

5) Size & Model

6) Horizontal/Vertical

7) End Connections

8) Flow Direction

9) Type required with SLR with thermostatic Air Vent and SLR

Please Fill in the Details for Prompt Response