Manual Operator Series 04 | Bluebell - Authorized Valve Dealer & Supplier

Manual Operator

Series 04

Manual Operator

DESCRIPTION:

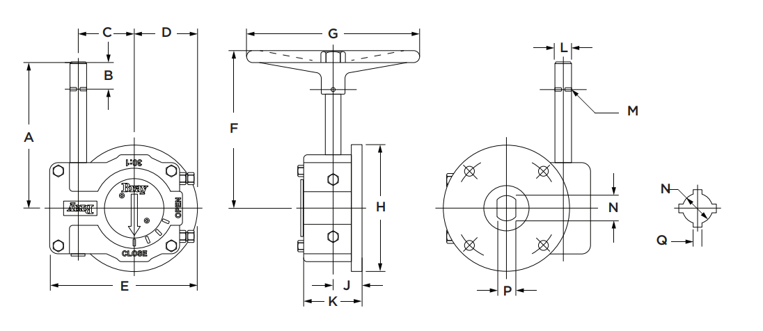
Bray offers two versions of our Series 01 Manual Valve Actuator handles for on/off and throttling service – one for resilient seated valves from 1”-12” (25mm - 300mm), and a high torque handle for high pressure valves from 2 1/2”- 8” (65mm - 200mm). These quarter turn handles have a locking spring and a directional pointer for valve disc position indication. Bolted notch plates are offered. For resilient seated valves a ten position plate is standard. For high pressure valves a 9 position plate is standard.

Detailed Specifications

Output Torque:2000-24000 in-lbs
Control Options:Manual
Valve Compatibility:Quarter Turn Valve
Design Standard:N/A
Certifications:ABS
Power Source:Manual
Applications:Isolation / On-Off

Product GAD

Manual Operator Series 04 Design

Please Fill in the Details for Prompt Response