Flow-Tek’s FTG Series Manual Gear Operators were designed to handle the toughest applications and provide years of trouble free service and reliability. The FTG series gear operators feature a ductile iron housing, aluminum bronze gear segment, one piece steel worm gear input shaft with tapered roller bearings on both ends.
• Locking Device.
• Chain Wheels.
• Horizontal Flag Indicator
• 2” Square Input Drive Nut
• Grease Fitting
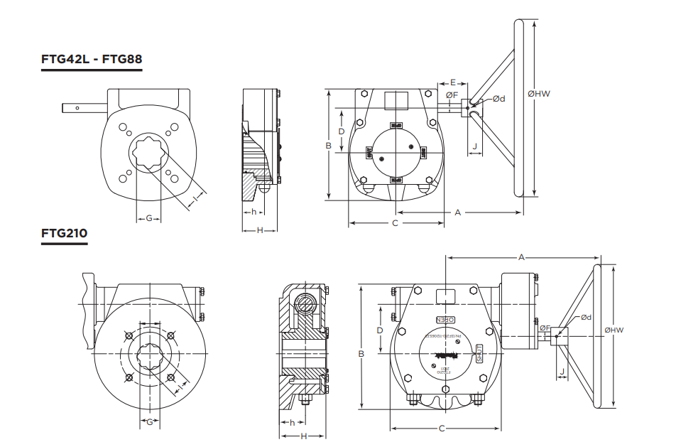
| Model | Ratio | A | B | C | D | Ød | E | ØF | G | H | h | I | J | ØHW | Mounting UNC | ISO Mounting Flange Type | Output Torque (N·m) |
Input Torque (N·m) |
Weight (kg) |
|---|---|---|---|---|---|---|---|---|---|---|---|---|---|---|---|---|---|---|---|
| FTG42L | 42:1 | 218 | 144.5 | 118 | 52.5 | 50 | 115 | 15 | 17 | 35.5 | 17 | 28 | 260 | 4 × 5/16" - 18 | F07 | 500 | 45 | 6 | |
| FTG42 | 42:1 | 210 | 182 | 165 | 66 | 60 | 88 | 20 | 27 | 42 | 27 | 34 | 300 | 4 × 5/16" - 18 | F07 | 1000 | 90 | 11 | |
| FTG60 | 60:1 | 277 | 231 | 200 | 88.5 | 60 | 88 | 20 | 46 | 81.5 | 50 | 34 | 400 | 4 × 1/2" - 13 | F12 | 1800 | 110 | 14 | |
| FTG70 | 70:1 | 287 | 252 | 216 | 101 | 60 | 90 | 20 | 55 | 82 | 50 | 34 | 400 | 4 × 1/2" - 13 | F12 | 2500 | 130 | 21 | |
| FTG88 | 88:1 | 382 | 354 | 315 | 153 | 60 | 116 | 25 | 65 | 96 | 55 | 34 | 400 | 4 × 3/4" - 10 | F16 | 4400 | 169 | 44 | |
| FTG210 | 210:1 | 433 | 349 | 310 | 137.5 | 80 | N/A | 25 | 55 | 130 | 73 | 55 | 500 | 4 × 3/4" - 10 | F16 | 8000 | 180 | 66 |