1071 Cast Steel Globe Steam Stop Valve (Flanged) | Bluebell - Authorized Valve Dealer & Supplier

Globe Valves

Cast Steel Globe Steam Stop Valve (Flanged)

Article Code: 1071

Suitable For

Steam
Water
Oil
Air
Gases

Salient Features

  • Flanged Ends to DIN 2545 PN 40.
  • Straight Pattern, Outside Screw, Yoke Type, Rising Stem, Bolted Bonnet.
  • Renewable 13% Cr. Stainless Steel (S.S 410) working parts.
  • Minimum pressure drop inside the body due to streamlined body design.
  • Handwheel Operated.
  • Provision for re-packing under pressure.
  • Suitable for thermic fluid application also.
  • Pressure Rating PN:
  • Test Pressure (Hydrostatic) :
  • Shell : 60 kg/cm2g (870 psig)
  • Working Pressure (Steam) : 40 kg/cm2g (580 psig)
  • Maximum Working Temperature : 425oC

Description

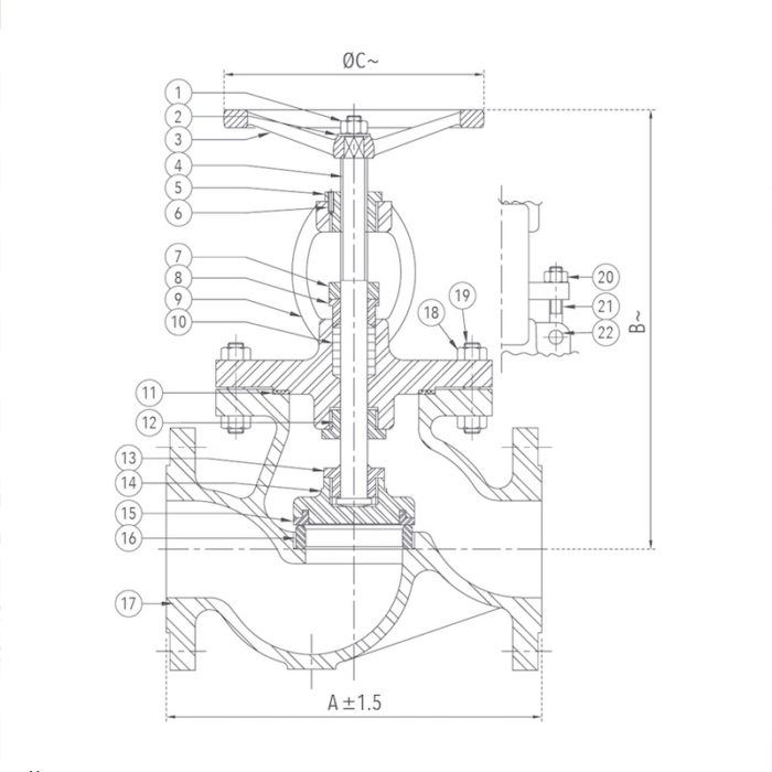
P.No. Name of Part Material of Construction Specification Qty.
1 Nut Carbon Steel – – – 1
2 Washer Carbon Steel – – – 1
3 Handwheel S.G Iron IS 1865 Gr. 400 / 15 1
4 Stem Stainless Steel ASTM A 276 Type 410 1
5 Yoke Bush Aluminium Bronze BS EN 1982 AB – 1 1
6 Locking Screw Carbon Steel IS 1367 1
7 Gland Flange Cast Steel IBR 73-80 Gr. B 1
8 Gland Stainless Steel ASTM A 276 Type 410 1
9 Bonnet Cast Steel IBR 73-80 Gr. B 1
10 Gland Packing Braided Graphite – – –
11 Gasket Spiral Wound S.S (Type 316) Graphite Filled – – – 1
12 Back Seat Bush Aluminium Bronze BS EN 1982 AB – 1 1
13 Stem Nut Stainless Steel ASTM A 276 Type 410 1
14 Disc Cast Steel IBR 73-80 Gr. B 1
15 Seat Ring Stainless Steel ASTM A 276 Type 410 / ASTM A 182 Gr. F6a 1
16 Body Seat Ring Stainless Steel ASTM A 276 Type 410 / ASTM A 182 Gr. F6a 1
17 Body Cast Steel IBR 73-80 Gr. B 1
18 Nuts H.T Steel ASTM A 194 Gr. 2H As Reqd
19 Studs Alloy Steel ASTM A 193 Gr. B7 As Reqd
20 Nuts For Eye Bolts H.T Steel ASTM A 194 Gr. 2H 2
21 Eye Bolts Stainless Steel ASTM A 182 Gr. F6a 2
22 Pins For Eye Bolts Stainless Steel ASTM A 276 Type 410 2

Product GAD

Cast Steel Globe Steam Stop Valve (Flanged) Design

Sizes / Dimensions

Size (Inches) Size (mm) A ±1.5 B ~ ØC ~
1/2 15 130 190 120
3/4 20 150 190 120
1 25 160 215 150
1 1/4 32 180 230 150
1 1/2 40 200 259 180
2 50 230 272 180
2 1/2 65 290 316 200
3 80 310 341 235
4 100 350 395 295
6 150 480 500 350
8 200 600 525 435

Please Fill in the Details for Prompt Response