1001A Bronze Angle Globe Valve No. 4 (Screwed) | Bluebell - Authorized Valve Dealer & Supplier

Globe Valves

Bronze Angle Globe Valve No. 4 (Screwed)

Article Code: 1001A

Suitable For

Steam
Water
Oil
Air
Gases

Salient Features

  • Angle Pattern.
  • Screwed Female Ends to IS 554 / BS 21 / ISO 7.
  • Screwed in Bonnet, Inside Screw, Rising Stem, Integral Seat.
  • Designed sheet metal handwheel for a firm grip and convenient operation.
  • Premium Quality PTFE Gland Packing.
  • Medium Pattern.
  • Pressure Rating PN:
  • Test Pressure (Hydrostatic) :
  • Shell : 24 kg/cm2g (340 psig)
  • Seat : 16 kg/cm2g (225 psig)
  • Maximum Working Temperature : 225oC
Available Sizes

Description

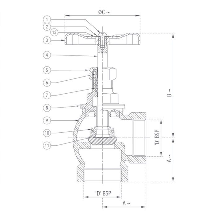
P.No. Name of Part Material of Construction Specification Quantity
1 Screw / Bolt Carbon Steel (Zinc Plated) – – – 1
2 Washer Carbon Steel (Zinc Plated) – – – 1
3 Handwheel Sheet Metal (Powder Coated) – – – 1
4 Stem Forged Brass IS 6912 Gr. FLB 1
5 Gland Nut Forged Brass IS 6912 Gr. FLB 1
6 Gland Forged Brass IS 6912 Gr. FLB 1
7 Gland Packing PTFE – – –
8 Bonnet Bronze IS 318 Gr. LTB2 1
9 Body Bronze IS 318 Gr. LTB2 1
10 Disc Nut Bronze IS 318 Gr. LTB2 1
11 Disc Bronze IS 318 Gr. LTB2 1
12 Name Plate Aluminium – – – 1

Product GAD

Bronze Angle Globe Valve No. 4 (Screwed) Design

Sizes / Dimensions

Size (Inches) Size (mm) A ~ B ~ ØC ~ D
1/2 15 29 75 60 1/2"
3/4 20 35 82 65 3/4"
1 25 43 90 70 1"
1 1/4 32 47 115 80 1 1/4"
1 1/2 40 54 125 90 1 1/2"
2 50 66 143 110 2"

Please Fill in the Details for Prompt Response