PT16 | Bluebell - Authorized Valve Dealer & Supplier

PT 16

PT 16

Thermodynamic steam trap without integral strainer. SS construction: A743 Gr. CA 40.

DESCRIPTION:

Thermodynamic steam trap without integral strainer. Compact, light weight design, in full stainless steel construction.

FEATURES:

Better corrosion and wear resistance ensured by the total stainless steel construction. It meets the requirements of quick response applications in the steam system.

TMA: Max.

426 oC

PMA: Max.

42 bar(g)

MOC

A743 Gr. CA40

End connection: Screwed (NPT/BSPT/BSP), Socket Weld

Available Sizes

Material

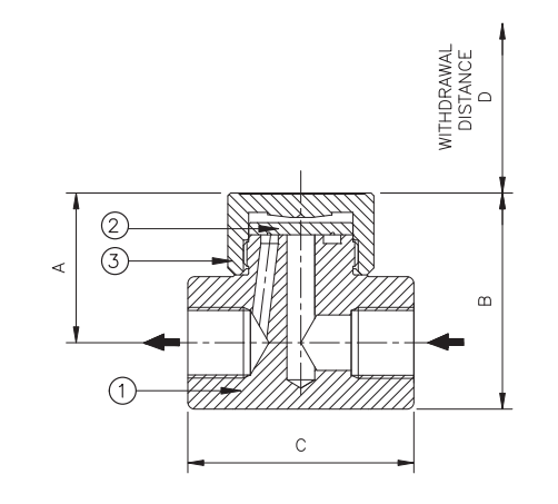
NO. PART MATERIAL QTY (Nos.)
1 BODY (Seat Hardened) ASTM A743 Gr. CA 40
(Cast Equiv. AISI 420)
01
2 DISC CAP ASTM A743 Gr. CA 40
(Cast Equiv. AISI 420)
01
3 DISC (Hardened) AISI 410 01

Product GAD

Pennant PT16 Design
Pennant PT16 Design

Dimensions

Nominal in mm Screwed/Socket Weld Traps

SIZE A B C D E F Weight
DN8 43 62 60 40 38 42 0.65 kg
DN10 43 62 60 40 38 42 0.65 kg
DN15 43 62 65 40 38 42 0.75 kg
DN20 43 62 65 40 38 42 0.75 kg
DN25 50 73 85 45 46 50 1.60 kg

Ordering Information

1) Inlet Pressure in bar(g)

2) Back Pressure in bar(g)

3) Operating Temperature in oC

4) Condensate Load in kg/hr

5) Size & Model

6) End Connections

Please Fill in the Details for Prompt Response