1084 Cast Iron Y-Type Strainer PN 10 (Flanged) | Bluebell - Authorized Valve Dealer & Supplier

Strainers

Cast Iron Y-Type Strainer PN 10 (Flanged)

Article Code: 1084

Suitable For

Steam
Water
Oil
Air
Gases

Salient Features

  • Flanged Ends to BS 10 Table ‘F’.
  • Stainless Steel (S.S 304) perforated sheet screen (Ø3 mm Perforation) is guided in body and cover.
  • Large screening area makes the strainer efficient in performance.
  • Minimum pressure drop inside the body due to streamlined body contours.
  • Pressure Rating PN:
  • Test Pressure (Hydrostatic) :
  • Shell : 15 kg/cm2g (220 psig)
  • Working Pressure (Steam) : 10 kg/cm2g (150 psig)
  • Maximum Working Temperature : 220oC

Description

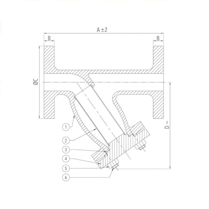
P.No. Name of Part Material of Construction Specification Qty.
1 Body Cast Iron IS 210 Gr. FG 200 1
2 Screen (Ø3 mm Perforation) Stainless Steel Type 304 1
3 Gasket Rubber IS 638 Type B 1
4 Bonnet Cast Iron IS 210 Gr. FG 200 1
5 Nuts Carbon Steel --- As Reqd.
6 Studs Carbon Steel --- As Reqd.

Product GAD

Cast Iron Y-Type Strainer PN 10 (Flanged) Design

Sizes / Dimensions

Size (Inches) Size (mm) A ±2 B +3 ØC +3 D ~
1 1/2 40 165 16 140 152
2 50 180 19 165 175
2 1/2 65 206 19 184.5 180
3 80 260 19 203.2 238
4 100 295 22.2 228.6 250
5 125 385 25.4 279.4 320
6 150 385 25.4 305 320
8 200 525 28.6 368.3 395
10 250 700 28.6 431.8 515
12 300 750 31.8 489 570
14 350 850 35 552.5 620

Please Fill in the Details for Prompt Response