1064 Bronze Fusible Plug (Two Piece Design) | Bluebell - Authorized Valve Dealer & Supplier

Other Valves

Bronze Fusible Plug (Two Piece Design)

Article Code: 1064

Suitable For

Steam
Water
Oil
Air
Gases

Salient Features

  • Screwed Male End to BSPT.
  • One Piece Design.
  • Premium Quality Fusible Alloy used.
  • Pressure Rating PN:
  • Test Pressure (Hydrostatic) :
  • Shell : 35.15 kg/cm2g (500 psig)
  • Working Pressure (Steam) : 17.58 kg/cm2g (250 psig)
  • Maximum Working Temperature : 225oC
Available Sizes

Description

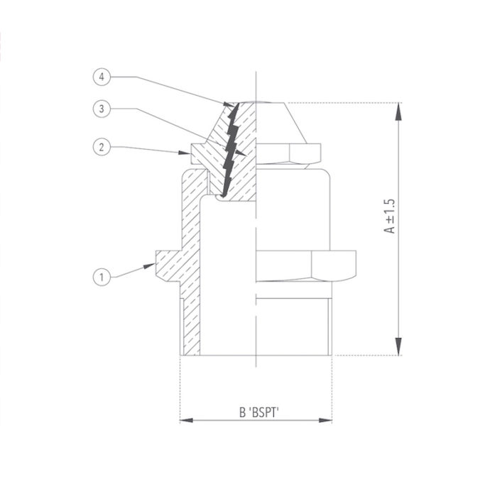
P.No. Name of Part Material of Construction Specification Quantity
1 Body Bronze IBR 282 (a) (iv) Gr. B 1
2 Cone Bronze IBR 282 (a) (iv) Gr. B 1
3 Plug Bronze IBR 282 (a) (iv) Gr. B 1
4 Fusible Alloy Pb-Sn-ALLOY IBR 333 1

Product GAD

Bronze Fusible Plug (Two Piece Design) Design

Sizes / Dimensions

Size (Inches) Size (mm) A ±1.5 B
1/2 15 52 1/2"
3/4 20 56 3/4"
1 25 70 1"
1 1/4 32 82 1 1/4"
1 1/2 40 88 1 1/2"
2 50 102 2"

Please Fill in the Details for Prompt Response